结合青海黄河水电绿色循环再生铝基合金工程电解烟气净化施工的3个70m钢筋混凝土烟囱筒身,对内井架柔性移置模板技术在烟囱筒身施工中的应用及优点和本种技术在筒仓结构中应用的方法进行了简单阐述。
1 工程概况
本工程为青海绿色循环再生铝基合金工程电解烟气净化系统中70m钢筋混凝土烟囱,其结构形式为钢筋混凝土构筑物,烟囱高度70m。其下口外直经为913m,上口外直经615m。下口壁厚为350mm,上口壁厚为200mm,坡度i = 0102。内衬采用M10 级普通黏土砖,采用M5水泥砂浆砌筑,标高1115m以下厚度为250mm,标高1115m到标高70m每10m为一段,内衬厚度150mm,标高18m以下设置隔烟墙一道,材料同内衬材料,并设4 道圈梁,圈梁与筒体连接,隔烟墙在±0100处设门洞800 ×1 400mm一个,填充保温材料为100mm厚水泥膨胀珍珠岩制品,筒壁混凝土强度等级C30。钢筋保护层厚度:洞口及筒壁为30mm。烟囱在筒身±0100处设置出灰口一个1 000 ×1 200mm,在底标高6175m 处设置2 500mm ×3 700mm 烟道口2个,在底标高111150m处设置2 300mm ×3 500mm 烟道口2个,在标高33100m及标高65100m处设置信号平台各一个,同时在标高215m~70m设置钢直爬梯一道,烟气出口温度80℃,在筒首位置设装饰花格。
2 施工方法及施工工艺
2. 1 施工方法
本烟囱筒体分两种施工方法进行施工, 20m以下施工:为了保证隔烟墙与内衬及隔热层的施工质量采用先施工筒壁后施工隔烟墙和内衬及隔热层的方法;20m以上施工采用筒壁与内衬及隔热层同时施工的方法。烟道进口采用搭设外脚手架的常规施工方法与筒体同步进行施工。
2. 2 施工工艺
2. 2. 1 内井架及垂直运输系统施工
操作平台利用内井架、内脚手架进行搭设,内井架、内脚手架设计严格按《建筑施工扣件式钢管脚手架安全技术规范》JGJ13022001 等规范进行设计,钢管采用<48mm ×315mm,扣件连接方式采用双扣件连接,立杆间距1 000mm,步距高度1 250mm,施工平台采用双层50mm木制脚手板(中心留置< 1 500mm上料孔)搭设在脚手架上,平台随着施工进度利用人工倒板的方式而上升,每隔10m将脚手架支撑在筒壁内的悬臂牛腿上,支撑管下垫350mm ×200mm ×50mm木板,每次搭设高度不得超过施工平台6m,随着高度的上升脚手
板的数量、长度,随时进行调整并为中心内井架及内脚手架增加剪刀支撑系统,立好井架同时要安装好避雷针,保证施工人员安全。
垂直运输系统由内井架、卷扬机、钢丝绳、滑轮组、吊桶等组成,卷扬机安装在正对出灰口距离烟囱20m的卷扬机棚内,烟囱内地面边沿筒壁处设置一地锚,地滑轮固定在地锚上,天滑轮采用2 [ 22设置钢梁并由2个滑轮组成,并固定在井架上部,随井架上升而上升,钢丝绳由卷扬机经地滑轮至天滑轮向下,绳端设置自锁式吊钩。料桶为方形,相对应两侧设置手动卸料口,尺寸为800mm ×800mm 750mm,由4mm厚钢板焊接而成。并在井架上部合理位置设置一限位器,以保证料斗运行安全,此限位器与上下电铃、提升电源相联
动。内井架柔性移置模板技术在烟囱施工中应用
脚手架与内井架待烟囱主体施工完毕,从上至下逐层进行拆除,严格按《建筑施工高处作业安全技术规范》JGJ80291、《建筑施工扣件式钢管脚手架安全技术规范》JGJ13022001进行操作施工。
2. 2. 2 通讯、临时供电系统
卷扬机操作棚内、施工平台上各设对讲机一部,并设有电铃和灯光设施。在卷扬机防护棚周围设置分配电箱一个,在操作平台上设置开关箱,可满足平台上临时安装电焊机、水泵、碘钨灯等,开关箱电缆长度根据烟囱高度确定。
2. 2. 3 筒身施工工艺
2. 2. 3. 1 施工测量
1)施工过程测量控制
标高控制采取在出灰口处设置一基准标高,然后用已检测钢尺直接丈量至随升内井架的立杆上,再通过水平管把标高移到烟囱纵筋上,并用红油漆作标记,每隔10m校核一次,半径控制采用直接测量法。烟囱垂直度的控制,先在烟囱内基底中心安置一δ= 8mm,800mm ×800mm预埋钢板,在两条中轴线交点处打一个<4mm小孔作为中心控制点,用线锤找中,线锤重25kg,用钢丝悬挂在专用中心支撑板上,中心支撑板采用木方(尺寸为50mm ×120mm)临时固定在内脚手架上,找中心时用对讲机进行联系,移动专用中心支撑板,保证线锤与预埋件中心点重合,然后才能用钢尺测量模板半径,如有误差随时进行调整,确保烟囱上口半径尺寸准确。此过程随烟囱升高每支设一次模板重复校对一次,以保证烟囱垂直度。烟道口、爬梯、信号灯平台的测量控制,用经纬仪在地面上直接向上找中,直接找出烟道口中心线并用红油漆进行标示,标高控制同筒身标高控制;信号平台带有上人孔盖板的平台板中心线必须与爬梯的中心线重合。然后,按平台的内
侧宽度沿筒壁外圆顺时针方向给定联结平台三角架的预埋暗榫的位置,如果发现有正负误差,而差值大于10mm时,可对各三角架之间进行均匀平差,以保证平台的安装质量。
2) 沉降观测及垂直度检测
在筒壁施工时,为了观测烟囱的沉降量,在标高015m,按设计要求设置4 个永久性沉降观测点,各个沉降观测点的首次相对于基准点的数值要认真反复测量确定一准确值,并以图表的形式详细记录在沉降观测记录本中。在筒身施工过程中,每施工10m,做一次沉降观测,筒身施工完成后,沉降观测仍按规范要求继续进行,其观测时间的间隔,可视沉降值的大小而定,开始时,间隔时间短一些(每隔10d或半个月一次) ,以后随着沉降速度的减慢,可逐渐延长间隔时间。直至沉降基本稳定时为止,每次观测结果,均应记入沉降观测记录中,并作为竣工移交资料。
在烟囱筒身施工中,烟囱的垂直度主要依靠设在基底的中心点,通过25kg线锤进行控制,在筒身施工完成后,可利用此方法进行最后一次垂直度检测,待施工完成后用经纬仪进行校核,以检查烟囱施工垂直度的准确度。
2. 2. 3. 2 筒壁钢筋施工
用设置在筒身内的垂直运输系统吊至操作平台上进行现场绑扎,筒体环筋以模板施工高度作为一个施工段进行施工,绑扎时采用搭接绑扎,纵筋采用搭接绑扎接头,验收规范为《钢筋混凝土工程施工质量验收规范》GB5020422002。纵向钢筋应沿筒壁圆周均匀布置,
环向钢筋配置在纵向钢筋的外侧,应在筒壁的全圆周内均匀地进行,钢筋的保护层的厚度,用钢筋支承架或水泥砂浆垫块来保持,环向钢筋与纵筋要扣扣绑扎,每层混凝土浇筑后,在其上面保持有一道绑好的环向钢筋。
2. 2. 3. 3 模板施工
1) 外模板设计
外模板均采用112mm厚的镀锌铁皮进行制作,一般高度为1 300mm,其形状分为矩形和梯形,其中梯形模板28块,矩形模板1块,梯形模板用以保持烟囱筒体所需的外形坡度,在筒壁全圆周上均匀布置,其构造与矩形模板相同,只是上宽比矩形模板稍小对本工程坡度为2% ,则每节模板在1125m高度中,直径最大减少值2 ×1 250 ×2% = 50mm,模板周长最大减少值为3114 ×50 = 157mm, 采用28 块梯形板, 其上宽为1 002mm,下宽为1 007mm,则其周长总减少为( 1 007- 1 002 ) ×28 = 140mm≈ 157mm。矩形模板尺寸为1 050mm ×1 300mm,模板圆周方向缩小圆周长度时接槎用,每次模板最大直径缩小尺寸为50mm,周长缩小尺寸为157mm, 因此每提升一次模板的重叠量为157mm。
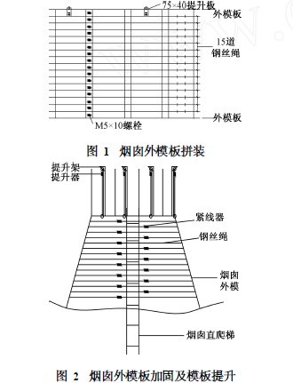
2) 外模板安装
用M5 ×10螺丝进行连接组装,坡度利用外模板收缝控制,模板采用钢丝绳加固,根据模板侧压力不同其间距不同,一般其间距从下往上排为底角2道(保证与下层混凝土加固) ,间距70mm 3 道, 间距80mm 3道,间距90mm 2 道,间距100mm 3 道,间距120mm 2道,共计15道钢丝绳,外模下端用底角线固定在已浇筑混凝土上口,上端用木拉子固定在竖向钢筋上,模板根据收缝随时调整模板块数(即镀锌铁皮的长度) ,钢丝绳采用紧线器连接,上下两道钢丝绳紧线位置错开1 000mm,为施工方便紧线位置尽量留置在直爬梯处,以方便施工人员操作,紧线时人员系好安全带,在爬梯上进行操作。烟囱外模板如图1、2所示。

3) 20m以下内模板安装
采用自制定型钢模板两套,其中一套184块,详见模板一,另一套15块,详见模板2 (模板1、模板2大样如图3、4所示) ;内模加固,采用<20钢筋做成环箍,用14号铅丝绑扎在模板卡槽内,然后利用内脚手架用顶杆将环箍顶死,保证内模尺寸,两套钢模板循环使用。烟囱内模板加固如图5所示。
4) 20m以下内衬环形悬壁的施工
内衬环形悬臂为支承烟囱内衬之用,在烟囱内壁

每隔10m设置一道,悬臂高为1125m。在施工过程中,它还可作为搭设内部保护棚及支架的支点。内衬环形悬臂的施工,其内模板安装与上述操作方法基本相同,只是将其上部向筒身中心倾斜,使末端模板上部与相邻模板增加重叠长度,有时还在内模板之间增嵌倒置的三角木条或薄钢板,以符合其半径缩小的要求。然后沿其周长按设计距离找好位置,在内模板上钻以<4mm的钉孔,将预先加工好的环形悬臂温度缝的三角形聚苯板配置于内外模板之间,并用钉子固定在内模板上。为了便于温度缝木板的拆除,常将其横截面做成梯形,且宽底朝向内模板。浇灌混凝土时,要注意均匀缓慢下料,细心捣固,以保持温度缝聚苯板位置的正确,并及时拆除温度缝聚苯板,拆模后即形成设计所需之伸缩缝。内衬环形悬臂以上第一节筒壁的内模板安装在支承内衬环形悬臂混凝土的面上,应注意内衬环形悬臂表面平整。为防止模板下部的空隙出现漏浆,可在沿模板圆周位置垫50mm厚木垫板。木垫板应按设计要求分段做成弧形。拆模时先将木垫板取下,内模板便可顺序拆卸。
5) 烟道口处模板安装
烟囱在烟道口部位的施工方法与筒壁其他部位同时施工,施工方法基本相同,只是施工前必须搭设好外架子,为使洞口施工尺寸正确,其上部过梁底模可按烟道口部位筒壁的内外圆弧分别制作弦板;洞口的竖向两侧模板则按筒壁厚度用竹胶板分段做成定型板,为了支撑洞口模板及上部过梁,可在洞口配置支柱、横杆及剪刀撑等。为了保持烟囱筒身模板的整体性,烟道口部位的内外侧仍利用筒身的内外模板,其方法有两种: ①将外侧加固用钢丝绳借助外脚手架先拆除,在烟道口外沿靠筒身处按钢丝绳间距设置<10mm的柔性PVC管,然后将已拆除的钢丝绳穿过套管重新进行加固,此方法较为繁琐,但整体性强; ②直接将钢丝绳更换为8号铅丝进行加固,浇筑在混凝土内,每施工一层更换一次铅丝,直到施工过烟道口所在位置再重新换成钢丝绳,此方法有一定的浪费。
6)筒首的模板施工
由于筒首的壁厚增大,外模板安装时将其上部向外倾斜,使末端模的下部与矩形模板增加重叠量,以形成一个倒置的截头圆锥体。当中心线、半径等所有尺寸符合要求后,将外模板全部紧固好。筒首的花纹,常做成木模型,固定于模板内侧。捣固混凝土时应注意保持花纹端正,待混凝土凝固并养护一段时间后,拆除外模板和木模型,即形成筒首设计的混凝土花纹。木模型的一次安装高度,应与外模板相同,故当花纹高度超过215m时,应将其分为两段制作。筒首花纹木模型的拆除,应待混凝土达到设计强度的30%以上方可进行,以避免因拆模过早使混凝土边缘损坏而影响花纹的完整。
7)外模板拆除
钢筋绑扎完毕待混凝土强度达到018MPa时即可进行外模板提升施工,对于烟道口必须强度达到设计要求的100%方可拆除,外模提升采用20个提升器,一端挂在提升杆上,提升杆固定在钢筋网上,提升器另一端固定在外模板预留的提升点上,在提升起来加固之前必须清理干净模板,涂刷隔离剂(柴油6∶滑石粉2∶石蜡2) 。
2. 2. 3. 4 筒体混凝土施工
筒体混凝土施工以1. 25m高为一施工段,随操作平台的提升而进行施工,每提升一次,可进行一次混凝土浇筑。浇筑混凝土时,沿筒壁圆周均匀地分层进行,每层厚度250~300mm,并用振动器振捣密实。浇筑混凝土时,应对称地变换浇筑方向,防止模板向一个方向倾斜和扭转。振捣混凝土时,不得触动钢筋和模板,振动棒的插点必须在筒身内呈三角形布置,插入深度不应超过前一层混凝土内50mm,在提升模板时,不得振捣混凝土。浇筑时设专人观查模板、钢筋、预埋件及预留孔的情况,如发现异常立即停止浇灌,及时进行处理,彻底处理完毕方可再浇灌。筒壁施工时应尽量减少施工缝。混凝土拆模后的表面修复,是关系到混凝土表而后美观和保证工程质量的重要工序,对混凝土拆模时出现的蜂窝、麻面及较小的裂缝,将松动的混凝土清除,用同一配合比的混凝土填满并压实。混凝土养护可用卷扬机将自制带挂钩的汽油桶装满水后吊至操作平台上,用小型水泵进行抽水养护。
2. 2. 3. 5 内衬、隔烟墙及隔热层施工
1) 20m以下内衬、隔烟墙及隔热层施工
20m以下内衬待筒体整个施工完毕,施工井架拆除完毕,按照设计要求开始砌筑, 10m 以下为240mm厚砖墙, 10m以上为120mm厚砖墙,隔烟墙为240mm厚砖墙并设有4 道圈梁,圈梁钢筋是与筒体施工到圈梁标高时预留出圈梁插筋搭接而成,圈梁高度240mm,内衬等砌筑采用三一砌法,必须保证灰缝的饱满度,其他符合《砌体工程施工质量验收规范》GB5020322002的要求。隔热层为100mm厚水泥膨胀珍珠岩制品,在内衬每砌筑500mm高将其放置在筒壁与内衬之间即可。内衬悬臂梁位置砌筑严格按05SG212图籍及施工图纸进行施工。
2) 20m以上内衬、隔烟墙及隔热层施工
20m以上由于没有隔烟墙,同时为了加快施工进度,根据《烟囱工程施工及验收规范》GB5007822008,采用内砌外滑的方法进行施工,既利用内衬隔热层作为胎膜施工筒壁。在同时施工时规范还要求必须保证内衬砌体质量和隔热层位置的准确,所以施工中先进行外模板的支设,根据收缝表确定出外模板的尺寸,然后用尺子量出(外模2混凝土壁厚2隔热层厚度)烟囱内衬的尺寸开始砌筑内衬,每砌筑10层左右( 500mm)将隔热层的珍珠岩制品放入,用14号铅丝将珍珠岩制品与内衬箍紧使其在浇筑混凝土时不置发生位移影响到烟囱筒身的混凝土壁厚,一次累推进行砌筑,每次砌筑高度与模板提升高度1125m一致。砌筑要求符合《砌体工程施工质量验收规范》GB5020322002 及05SG212图集、施工图纸的要求。
3 本种技术在筒体结构中应用
在电解铝厂及工业建筑厂房施工过程中,往往还会遇到许多的筒体结构的构筑物,有些还是带漏斗或平台梁板柱,如果采用定型大模板施工不仅工期时间长,还需要按设计要求加工定型模板,同时必须搭设外脚手架,费时费力,如果采用滑模和无井架移置模板或竖井架移置模板等方法进行施工,虽筒体施工与介绍的方法没有什么太大的区别,但设备复杂必须专业队伍进行施工,而且如果带有漏斗或平台梁板柱时,必须在施工筒体时预留插筋漏斗或平台梁板柱必须二次施工,如果应用内井架柔性移置模板进行施工,只需要将井架按施工要求改成满堂脚手架,漏斗或平台梁板柱与筒体同时施工,外模板只要根据筒仓壁厚、直径、模板侧压力大小将模板改为2mm厚的冷轧钢板,加固钢丝绳的施工方法可根据筒仓直径改为在筒仓两侧设置紧线器,两人站在吊笼内在两侧同时进行紧线加固施工,周转料具、所需材料运输和混凝土浇筑可设置塔吊进行施工,其它与烟囱施工工艺相同。
4 内井架柔性移置模板技术在烟囱筒身施工中的优点
4. 1 降低成本,提高经济效益
用内井架柔性移置模板进行烟囱施工,只需搭设烟道口以下的部分外脚手架,在过了隔烟墙位置按照规范采用内衬与筒身同时进行施工的方法,可缩短施工工期,所需材料和设备为施工中常用的材料和设备,现场容易解决施工材料和设备问题,材料和设备可以周转使用,既节约人工缩短工期又节约材料和设备租赁费用,一座70m的钢筋混凝土烟囱大约可以节约人工、材料、设备租赁费用合计38 000元。
4. 2 提高施工质量
钢筋混凝土烟囱内置井架与柔性移置模板制作简单,花费少,操作方便,烟囱表面观感质量极佳,筒身中心与坡度控制方法简便,精确度高,内衬砌筑条件好,便于作业,工程质量好,混凝土养护方法简单,筒体与烟道口同时施工整体性好于其它方法,易于在施工中掌握其技巧,同时适用于在工业建筑中很常见的筒体结构,本方法方便实用能提高施工质量。
4. 3 施工安全可靠
这种施工方法较好地解决了高处作业操作平台的稳固性问题,解决了高处材料运输的难题,材料全部采用筒身内井架上料的方法,操作人员全部采用经过加固的外爬梯上下,全部人员均在操作平台上进行施工,增强了施工安全保障。
5 结语
竖井架柔性移置模板施工方法,有着施工简便、施工进度快,劳动强度低,所需材料、设备简单现场容易解决,同时施工装置可以周转使用,降低施工成本,提高经济效益,易于在施工中掌握其技巧,施工整体性较好,还适用于在工业建筑中很常见的筒体结构,施工后混凝土外观质量好于其它方法,同时施工安全也可以得到很好的保证。

